Tételszám.: 156729
Profil: 38/80/2,0
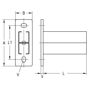
Hossz L [mm]: 400
Felület: horganyzott
Mennyiségi egység: 1 darab
Tömeg/ME: 2,100 kg
darab

Felhasználás

  • Ideális megoldás csővezetékek oldalfali tartószerkezeteként
  • Alkalmazható konzoltartóként, légcsatornák és kábeltálcák rögzítésére
  • A homlok- és nyeregalakú összekötőkkel kombinálva aknákban és csatornákban csőtartó szerkezetek kialakítására alkalmasak
  • Stabil fali konzol szerelvények és készülékek rögzítéséhez
  • A 38/80 sín kettős profilja révén ideálisan alkalmazható csővezetékek mindkét oldalra történő szereléséhez

Előnyök

  • Terhelhető szerkezet stabil alaplemezzel
  • Az alaplapon a kereszt-és hosszanti furatok elhelyezkedése lehetővé teszi a konzolok megfelelő magasságú rögzítését
  • Az adott beépítési lehetőségekhez igazodva különböző hosszúságokban elérhető
  • Tiszta optikai kép MPC-zárósapkák használatával
Rövid leírás
MPC-sínkonzol 38/80, hossz: 400 mm, horganyzott
Sínrendszerek
MPC-profilokhoz
Terméktípus
Konzolok
Profil
38/80/2,0
Anyag
Acél
Felület
horganyzott
Hossz L [mm]
400
Méret B
60 mm
eCl@ss 11.1
23-36-01-90
eCl@ss 7.1
23-15-91-90
Tűzvédelmi igazolással
Igen
Méret A
165 mm
Méret L1
120 mm
Méret s
8 mm
Méret V
13,5 x 20 mm
Vámtarifaszám
83025000
További műszaki részletek az adatlapon találhatók.