Tételszám.: 156812
Kivitel: kettős
Típus: nem előre összeszerelt
Profilokhoz: 38/80, 40/80
Mennyiségi egység: 1 darab
Tömeg/ME: 1,570 kg
darab

Felhasználás

  • Erős tartószerkezetek készítésére szerelősínekből
  • Ideálisan használható szűk beépítési körülményeknél aknákban és csatornákban

Előnyök

  • Az alaplapokon a kereszt- és hosszanti furatok elhelyezkedése lehetővé teszi az MPC-nyeregalátét megfelelő rögzítését
  • Jó teherátadás hajlításálló nyeregkapcsolattal
  • Ideális kötőelem sínszerkezetekhez
  • A 38/80 profilhoz illeszkedő kivitel a sínt elfordulás ellen biztosítja, két oldalról megtámasztja
Rövid leírás
MPC-nyereg alakú rögzítő, hosszanti 38/80 és 40/80 profilhoz, horganyzott
Sínrendszerek
MPC-profilokhoz
Típus
nem előre összeszerelt
Kivitel
kettős
Terméktípus
Szerelési elemek
Profilokhoz
38/80, 40/80
Anyag
Acél
Felület
horganyzott
eCl@ss 11.1
23-36-01-91
eCl@ss 7.1
23-15-92-90
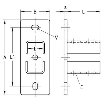
Méret B
80 mm
Tűzvédelmi igazolással
Igen
Méret A
205 mm
Méret b
42 mm
Méret C [mm]
13 x 25 mm
Méret L
90 mm
Méret L1
160 mm
Méret s
8 mm
Méret V
13,5 x 20 mm
Vámtarifaszám
73269060
További műszaki részletek az adatlapon találhatók.