Tételszám.: 147940
Profilokhoz: Q50-2,5
Mennyiségi egység: 1 darab
Tömeg/ME: 1,960 kg
darab

Felhasználás

  • Keresztkötések Q50, Q80 és Q100 MPT tartóprofilokból

Előnyök

  • Gyors és biztonságos szerelés hosszlyukakkal, MPT kalapácsfejű csavar kötőelemekkel
  • Szabványos tűzihorganyozás rugalmas kül- és beltéri használatra
Rövid leírás
MPT-kengyel Q50 profilhoz, tűzihorganyzott
Sínrendszerek
MPT-profilokhoz
Terméktípus
Szerelési elemek
Profilokhoz
Q50-2,5
Anyag
Acél
Felület
tuzihorganyzott
eCl@ss 11.1
23-36-02-90
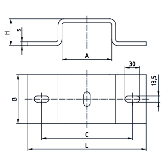
Vastagság s
8 mm
eCl@ss 7.1
23-36-02-90
Méret B
100 mm
Méret A
106 mm
Méret H
56 mm
Méret L
246 mm
Vámtarifaszám
73089059
További műszaki részletek az adatlapon találhatók.