MPC-homlok összekötő

V2A MPC-Homlokösszekötő, hosszanti 27/18-28/30 profilhoz

Változatok listaként való megjelenítése
Tételszám.: 156800
Kivitel: hosszanti
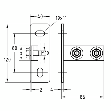
Profilokhoz: 27/18, 28/30
Felület: V2A
Mennyiségi egység: 10 darab
Tömeg/ME: 0,270 kg
darab

Felhasználás

  • Aknákban és csatornákban csőtartó szerkezetek kialakítására szerelősínekből
  • Két sín merőleges összekötéséhez, ha a sínek vágata nem azonosirányú
  • Függőlegesen álló szerelősínekhez, mennyezeti, vagy padlón álló szereléshez

Előnyök

  • Az alaplapon a kereszt-és hosszanti furatok elhelyezkedése lehetővé teszi az MPC-homlok összekötő megfelelő magasságú rögzítését
  • Két szorítócsavarral együtt szállítva
Rövid leírás
V2A MPC-Homlokösszekötő, hosszanti 27/18-28/30 profilhoz
Sínrendszerek
MPC-profilokhoz
Kivitel
hosszanti
Terméktípus
Szerelési elemek
Profilokhoz
27/18, 28/30
Anyag
V2A
Felület
V2A
eCl@ss 11.1
23-36-02-90
eCl@ss 7.1
23-36-02-90
Méret b
24 mm
Vámtarifaszám
73269060
További műszaki részletek az adatlapon találhatók.