MPT-nyeregalakú rögzítő

MPT-nyeregalakú rögzítő, Q50 profilhoz, tűzihorganyzott

Változatok listaként való megjelenítése
Tételszám.: 131837
Profilokhoz: Q50-2,5
Mennyiségi egység: 1 darab
Tömeg/ME: 4,850 kg
darab

Felhasználás

  • Tartós nyerges tartóelem három méretben, Q50, Q80, Q100 és Q150 MPT tartóprofilok fali, padló- vagy mennyezeti rögzítésére

Előnyök

  • Kereszttartók MPT-tartóprofilokból történő gyors és gazdaságos szerelésére
  • Stabil alaplemez a szerkezeti testhez való biztos rögzítéshez
  • Szabványos tűzihorganyozás rugalmas kül- és beltéri használatra
  • A profizott felfekvő nyeregfelület körbehegeszett kivitele a tartórész magas alaktartását garantálja
Rövid leírás
MPT-nyeregalakú rögzítő, Q50 profilhoz, tűzihorganyzott
Sínrendszerek
MPT-profilokhoz
Terméktípus
Szerelési elemek
Profilokhoz
Q50-2,5
Anyag
Acél
Felület
tuzihorganyzott
eCl@ss 11.1
23-36-02-90
eCl@ss 7.1
23-36-02-90
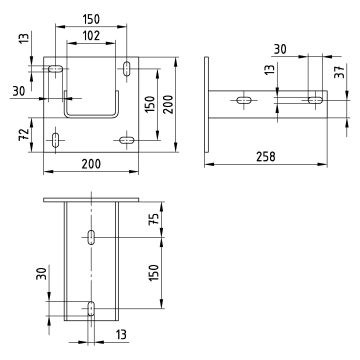
Méret B
150 mm
Méret A
200 mm
Méret a
57 mm
Méret a1
37 mm
Méret b
72 mm
Méret L
258 mm
Méret l1
75 mm
Méret l2
150 mm
Méret s
8 mm
Max. ajánlott terhelés húzás
12 500 N
Meghúzási nyomaték
65 Nm
Vámtarifaszám
73269060
További műszaki részletek az adatlapon találhatók.