MPT-lyukas lemez

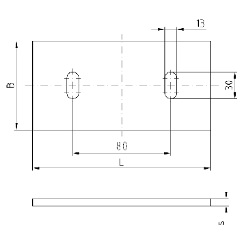
MPT-lyukas lemez, 80 x 160 x 8 mm Q80 profilhoz, tűzihorganyzott

Változatok listaként való megjelenítése
Tételszám.: 167321
Hossz L [mm]: 160
Mennyiségi egység: 1 darab
Tömeg/ME: 0,779 kg
darab

Felhasználás

  • Tűzihorganyzott lyuklemezek MPT tartóprofilok összekötéséhez

Előnyök

  • Gyors kötés hosszlyukakkal, MPT kalapácsfejű csavar kötőelemekkel
  • A magas minőségű tűzihorganyzás zökkenőmentes kül- és beltéri használatot garantál
Rövid leírás
MPT-lyukas lemez, 80 x 160 x 8 mm Q80 profilhoz, tűzihorganyzott
Sínrendszerek
MPT-profilokhoz
Terméktípus
Csatlakozó elemek
Profilokhoz
Q80-2,0
Anyag
Acél
Felület
tuzihorganyzott
Hossz L [mm]
160
eCl@ss 11.1
23-36-02-90
Méret B
80 mm
Vastagság s
8 mm
eCl@ss 7.1
23-36-02-90
Vámtarifaszám
73269060
További műszaki részletek az adatlapon találhatók.