MPT-lyukas lemez

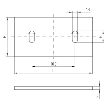
MPT-lyukas lemez, 100 x 200 x 8 mm, Q50, Q100, Q150 profilhoz, tűzihorganyzott

Változatok listaként való megjelenítése
Tételszám.: 148007
Hossz L [mm]: 200
Mennyiségi egység: 1 darab
Tömeg/ME: 1,220 kg
darab

Felhasználás

  • Tűzihorganyzott lyuklemezek MPT tartóprofilok összekötéséhez

Előnyök

  • Gyors kötés hosszlyukakkal, MPT kalapácsfejű csavar kötőelemekkel
  • A magas minőségű tűzihorganyzás zökkenőmentes kül- és beltéri használatot garantál
Rövid leírás
MPT-lyukas lemez, 100 x 200 x 8 mm, Q50, Q100, Q150 profilhoz, tűzihorganyzott
Sínrendszerek
MPT-profilokhoz
Terméktípus
Csatlakozó elemek
Profilokhoz
Q50-2,5, Q100-2,5, Q100-3,5, Q150-2,5
Anyag
Acél
Felület
tuzihorganyzott
Hossz L [mm]
200
eCl@ss 7.1
23-36-02-90
Méret B
100 mm
eCl@ss 11.1
23-36-02-90
Vastagság s
8 mm
Vámtarifaszám
73269060
További műszaki részletek az adatlapon találhatók.