Válasszon ki egy változatot további információkért, képekért és dokumentumokért.

Felhasználás

  • Ideális megoldás csővezetékek oldalfali tartószerkezeteként
  • Alkalmazható konzoltartóként, légcsatornák rögzítésére
  • MPR-nyeregalakú rögzítővel kombinálva aknákban és csatornákban csőrögzítő tartószerkezetként is használható
  • Stabil fali konzol szerelvények és készülékek rögzítéséhez
  • Kül- és beltéri használatra egyaránt alkalmas

Előnyök

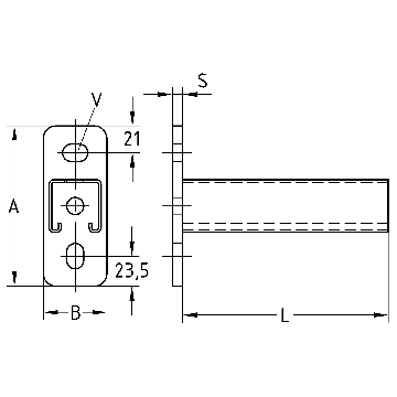
  • Terhelhető szerkezet stabil alaplemezzel
  • Hosszanti és keresztfurat a szerkezethez való rugalmas rögzítéshez
  • Az adott beépítési lehetőségekhez igazodva különböző hosszúságokban elérhető
  • Tiszta optikai kép MPR-zárósapkák használatával
Sínrendszerek
MPR-profilokhoz
Terméktípus
Konzolok
eCl@ss 7.1
23-36-01-90
eCl@ss 11.1
23-36-01-90
További műszaki részletek az adatlapon találhatók.