Támasztó erőhüvely

Tételszám.: 181090
Mennyiségi egység: 1 darab
Tömeg/ME: 0,220 kg
darab

Felhasználás

  • Menetes csapok megerősítése csúszószános alkalmazásokban
  • Menetes csapok megerősítése rögzített pont alkalmazásokban
  • M10 és M12 menetes csapokkal használható

Előnyök

  • Tökéletes kiegészítő a 2,3 kN-os tolószánhoz: jelentősen javítja az erőátvitelt és a stabilitást
  • A 27 dB(A) csővezeték rögzítési ponttal is kombinálható
  • Nagy tartóerő kompakt kivitelben
  • A hajlítási igénybevétel csökkentése
  • Belső menetes, sokoldalú felhasználási lehetőségekhez
Terméktípus
Fix- és elmozduló megfogások tartozékai
Felület
horganyzott
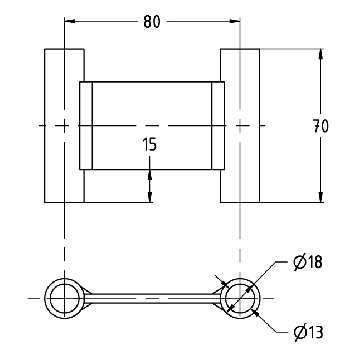
Magasság
70 mm
Külső átmérő
18 mm
Belsőmenet
13 mm
Vámtarifaszám
73259910
További műszaki részletek az adatlapon találhatók.