Válasszon ki egy változatot további információkért, képekért és dokumentumokért.

Felhasználás

  • Alkalmas ipari építmények csővezetékeinek rögzítése
  • Alkalmas csővezetékek, például ivóvíz és fűtéscsövek rögzítésére
  • Beltéri csővezetékek rögtítése

Előnyök

  • Jól ismert kétrészes bilincs
  • Merevítő borda
  • A két zárócsavarral jobban illeszkedik a csőátmérők szórásához
  • Könnyen csavarozható kombinált kereszthornyos zárócsavarok
  • A zárócsavarokat műanyag alátét teszi elveszíthetetlenné
  • Csatlakozómenet M8/M10 kombinált anyával
  • Nagy rugalmasságú DÄMMGULAST® zajszigetelő betéttel: átlagosan kb. 18 dB(A) értékű zajszintjavulás
  • Ellenőrzött zajvédelem
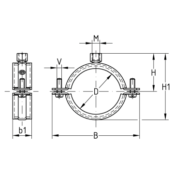
Terméktípus
Csőbilincsek közepes terhelhetőséggel
Hangszigetelő betét
DÄMMGULAST® zöld
Felület
horganyzott
eCl@ss 7.1
23-14-02-90
eCl@ss 11.1
23-14-02-90
Zajcsillapítás legfeljebb
18 dB(A)
További műszaki részletek az adatlapon találhatók.